Zum Hauptinhalt springen Zur Suche springen Zur Hauptnavigation springen
Versandkostenfrei* ab 20,-€
Telefonische Beratung unter 036071 924340
Öffnungszeiten Mo-Fr. 08:00 - 17:00 Uhr
Telefonische Beratung unter 036071 924340
Zur Startseite gehen

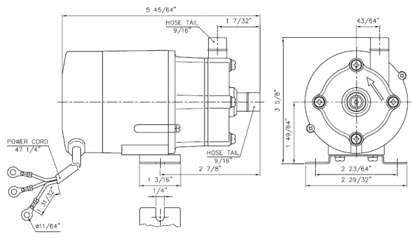
Magnetkreiselpumpen Serie PX mit Schlauchanschluss

Magnetkreiselpumpen Serie PX – Leistungsstark und Leckagefrei

Technische Daten:

  • Typ: Magnetkreiselpumpe mit Schlauchanschluss
  • Spannung: Einphasenmotor 230 Volt, 50 Hz
  • Material: Polypropylen oder PVDF, PPG (Polypropylen-glasfaserverstärkt)
  • Spindel: Keramik
  • Lager: Keramik
  • Dichtungen: FKM
  • Fördermenge: 7 l/min
  • Förderhöhe: 0,9 m

Die Magnetkreiselpumpen Serie PX stellen eine zukunftsweisende Lösung für anspruchsvolle Förderaufgaben in der Chemiebranche dar. Ihre dichtungslose Konstruktion macht sie zu einem unentbehrlichen Werkzeug für den sicheren Umgang mit chemischen Substanzen. Dank der innovativen magnetischen Kupplung garantiert diese Pumpenserie einen leckagefreien Betrieb, der die Betriebssicherheit erhöht. Diese Technologie ermöglicht eine berührungslose Drehmomentübertragung, die sowohl die Effizienz als auch die Langlebigkeit der Anlage steigert.

Die robuste Bauweise der Magnetkreiselpumpen ist geprägt von einem hochbeständigen Pumpenkörper aus Polypropylen oder PVDF, das durch Glasfaserverstärkung ergänzt wird. Dies sorgt für zusätzliche Widerstandsfähigkeit und Haltbarkeit, selbst beim Umgang mit aggressiven Flüssigkeiten. Ausgestattet mit einem zuverlässigen Einphasenmotor für den Betrieb an 230 Volt und einer Frequenz von 50 Hz, garantieren die Pumpen eine konstante Leistung. Zudem wurden Keramikspindeln und Keramiklager eingesetzt, die eine hohe Beständigkeit gegenüber mechanischem Verschleiß aufweisen. Die Dichtungen aus FKM tragen weiter zur chemischen Resilienz bei.

Diese Pumpen sind besonders leistungsfähig, da sie eine Fördermenge von 7 Litern pro Minute und eine Förderhöhe von bis zu 0,9 Metern erreichen. Dies macht sie ideal für die Umwälzung von Flüssigkeiten in Labor- und Produktionsumgebungen. Bei der Planung und der Nutzung dieser Pumpen sollte beachtet werden, dass die Modelle der Serie PX nicht selbstansaugend sind und nicht im Trockenlauf betrieben werden dürfen. Eine sachgerechte Verwendung ist entscheidend, um Beschädigungen zu vermeiden und die Lebensdauer der Pumpen zu maximieren.

Zusammenfassend lässt sich sagen, dass die Magnetkreiselpumpen der Serie PX die perfekte Kombination aus hoher Effizienz, Langlebigkeit und Sicherheit bieten. Mit ihren technischen Eigenschaften sind sie eine unverzichtbare Lösung für industrielle Anwendungen, bei denen Zuverlässigkeit und Leistungsfähigkeit gefordert sind.

Dr. Jeßberger GmbH
Jägerweg 5-7
85521 Ottobrunn, Deutschland

https://www.jesspumpen.de/

info@jesspumpen.de

0 von 0 Bewertungen

Durchschnittliche Bewertung von 0 von 5 Sternen

Bewerten Sie dieses Produkt!

Teilen Sie Ihre Erfahrungen mit anderen Kunden.